Размер шрифта
Цвет фона и шрифта
Изображения
Озвучивание текста
Обычная версия сайта
Завод железобетонных изделий
ГК "БЛОК" - Производство и поставка железобетонных изделий в Калининграде!

+7 (401) 272-03-10
+7 (401) 272-03-10
Заказать звонок
E-mail
sale3@block-gbi.ru
Адрес
Калининградская область, г. Гурьевск, Калининградское шоссе 15.
Режим работы
Будни - с 9 до 18 Сб, ВС - выходные
Подать заявку
Главная
Каталог
  • ЖБИ для дорожного строительства
    • Блоки укреплений
    • Водопропускные трубы
    • Камни бортовые
    • Колодцы железобетонные
    • Лотки железобетонные
    • Плиты дорожные
  • ЖБИ для железнодорожного строительства
    • Лотки дренажные
    • Фундаменты трехлучевые
    • Шпалы железобетонные
  • ЖБИ для жилищного строительства
    • Вентиляционные блоки
    • Заборы железобетонные
    • Лестницы железобетонные
    • Перемычки
    • Плиты перекрытий
    • Шахты лифтов
  • ЖБИ для инженерного строительства
    • Камеры тепловые
    • Камеры футерованные
    • Каналы непроходные
    • Каналы сборные
    • Колодцы кабельные
    • Колодцы футерованные
    • Лотки лк
    • Трубы железобетонные
    • Щитовые опоры
  • ЖБИ для мостов, тоннелей и путепроводов
    • Балки мостовые
    • Коллекторы железобетонные
    • Контурные блоки
    • Пустотные плиты
    • Своды железобетонные
    • Тоннели сборные
    • Фермы железобетонные
  • ЖБИ для нефтегазового строительства
    • Сваи железобетонные
    • Столбики сигнальные
    • Утяжелители
  • ЖБИ для промышленного строительства
    • Бомбоубежища
    • Диафрагмы жесткости
    • Прогоны железобетонные
    • Ригели железобетонные
    • Столбы шпалерные (садовые)
    • Фундаментные блоки
  • ЖБИ для энергетического строительства
    • Анкерные плиты
    • Опоры лэп
    • Подстанции
    • Приставки железобетонные
    • Ригели опор
    • Фундаменты опор
  • Нетиповые ЖБИ
    • Волнорезы
    • Плиты тротуарные
Доставка
Оплата
Компания
  • О компании
  • История
  • ГОСТы
  • Сертификаты
  • Заказчики
  • Сотрудники
  • Вакансии
  • Реквизиты
  • Доставка В ЛНР и ДНР
  • Цены на ЖБИ
Объекты
Контакты
Калининград
Завод железобетонных изделий
ГК "БЛОК" - Производство и поставка железобетонных изделий в Калининграде!

Калининград
+7 (401) 272-03-10
+7 (401) 272-03-10
Заказать звонок
E-mail
sale3@block-gbi.ru
Адрес
Калининградская область, г. Гурьевск, Калининградское шоссе 15.
Режим работы
Будни - с 9 до 18 Сб, ВС - выходные
Заказать звонок
Подать заявку
Главная
Каталог
  • ЖБИ для дорожного строительства
    ЖБИ для дорожного строительства
    • Блоки укреплений      
      • Серии блоков
      • Типы блоков
    • Водопропускные трубы      
      • Серия изготовления
      • Тип звеньев
    • Камни бортовые      
      • Типы бортовых камней
    • Колодцы железобетонные      
      • Диаметры
      • Элементы
    • Лотки железобетонные      
      • ГОСТы и Серии
      • Типы лотков ЖБИ
    • Плиты дорожные      
      • ГОСТы и Серии дорожных плит
      • Типы дорожных плит
  • ЖБИ для железнодорожного строительства
    ЖБИ для железнодорожного строительства
    • Лотки дренажные      
      • Типы дренажных лотков
    • Фундаменты трехлучевые      
      • Серии фундаментов
      • Типы фундаментов
    • Шпалы железобетонные
  • ЖБИ для жилищного строительства
    ЖБИ для жилищного строительства
    • Вентиляционные блоки      
      • ГОСТы вентиляционных блоков
      • Типы вентблоков
    • Заборы железобетонные      
      • Вид забора ЖБИ
      • ГОСТы и Серии ЖБ заборов
    • Лестницы железобетонные      
      • ГОСТы и Серии ЖБ лестниц
      • Элементы лестниц
    • Перемычки
    • Плиты перекрытий      
      • ГОСТы и Серии плит перекрытий
      • Типы плит перекрытий
    • Шахты лифтов      
      • ГОСТы и Серии лифтовых шахт
      • Типы лифтовых шахт
  • ЖБИ для инженерного строительства
    ЖБИ для инженерного строительства
    • Камеры тепловые      
      • Серии тепловых камер
      • Тип элемента камер
    • Камеры футерованные      
      • Типы футерованных камер
    • Каналы непроходные
    • Каналы сборные      
      • Серии
      • Типы
    • Колодцы кабельные      
      • Типы колодцев ККС
    • Колодцы футерованные      
      • Типы футерованных колодцев
    • Лотки лк      
      • Типоразмеры лотков
    • Трубы железобетонные      
      • ГОСТы и Серии ЖБ труб
      • Типы
    • Щитовые опоры      
      • Серии
  • ЖБИ для мостов, тоннелей и путепроводов
    ЖБИ для мостов, тоннелей и путепроводов
    • Балки мостовые      
      • Серии мостовых балок
      • Элементы балок
    • Коллекторы железобетонные      
      • Серии ЖБ коллекторов
      • Типы ЖБ коллекторов
    • Контурные блоки
    • Пустотные плиты      
      • Серии пустотных плит
    • Своды железобетонные      
      • Серии железобетонных сводов
      • Типы конструкций
    • Тоннели сборные      
      • Серии сборных тоннелей
      • Типы сборных тоннелей
    • Фермы железобетонные      
      • Типоразмеры ферм
      • Типы железобетонных ферм
  • ЖБИ для нефтегазового строительства
    ЖБИ для нефтегазового строительства
    • Сваи железобетонные      
      • ГОСТы и Серии
      • Типы
    • Столбики сигнальные
    • Утяжелители      
      • Типы утяжелителей
  • ЖБИ для промышленного строительства
    ЖБИ для промышленного строительства
    • Бомбоубежища      
      • ГОСТы бомбоубежищ
      • Типы бомбоубежищ
    • Диафрагмы жесткости      
      • Серии диафрагм жесткости
      • Типы диафрагм
    • Прогоны железобетонные      
      • Серии ЖБ прогонов
      • Типы ЖБ прогонов
    • Ригели железобетонные      
      • ГОСТы и Серии для ЖБ ригелей
      • Типы железобетонных ригелей
    • Столбы шпалерные (садовые)
    • Фундаментные блоки      
      • ГОСТы и Серии фундаментных блоков
      • Типы фундаментных блоков
  • ЖБИ для энергетического строительства
    ЖБИ для энергетического строительства
    • Анкерные плиты
    • Опоры лэп      
      • Серии опор ЛЭП
      • Типы опор ЛЭП
    • Подстанции      
      • Серии подстанций
      • Элементы подстанций
    • Приставки железобетонные      
      • ГОСТы и Серии ЖБ приставок
    • Ригели опор
    • Фундаменты опор      
      • Серии фундаментов опор
  • Нетиповые ЖБИ
    Нетиповые ЖБИ
    • Волнорезы      
      • Типы волнорезов
    • Плиты тротуарные      
      • ГОСТы и Серии
Доставка
Оплата
Компания
  • О компании
  • История
  • ГОСТы
  • Сертификаты
  • Заказчики
  • Сотрудники
  • Вакансии
  • Реквизиты
  • Доставка В ЛНР и ДНР
  • Цены на ЖБИ
Объекты
Контакты
    Завод железобетонных изделий
    Главная
    Каталог
    • ЖБИ для дорожного строительства
      ЖБИ для дорожного строительства
      • Блоки укреплений      
        • Серии блоков
        • Типы блоков
      • Водопропускные трубы      
        • Серия изготовления
        • Тип звеньев
      • Камни бортовые      
        • Типы бортовых камней
      • Колодцы железобетонные      
        • Диаметры
        • Элементы
      • Лотки железобетонные      
        • ГОСТы и Серии
        • Типы лотков ЖБИ
      • Плиты дорожные      
        • ГОСТы и Серии дорожных плит
        • Типы дорожных плит
    • ЖБИ для железнодорожного строительства
      ЖБИ для железнодорожного строительства
      • Лотки дренажные      
        • Типы дренажных лотков
      • Фундаменты трехлучевые      
        • Серии фундаментов
        • Типы фундаментов
      • Шпалы железобетонные
    • ЖБИ для жилищного строительства
      ЖБИ для жилищного строительства
      • Вентиляционные блоки      
        • ГОСТы вентиляционных блоков
        • Типы вентблоков
      • Заборы железобетонные      
        • Вид забора ЖБИ
        • ГОСТы и Серии ЖБ заборов
      • Лестницы железобетонные      
        • ГОСТы и Серии ЖБ лестниц
        • Элементы лестниц
      • Перемычки
      • Плиты перекрытий      
        • ГОСТы и Серии плит перекрытий
        • Типы плит перекрытий
      • Шахты лифтов      
        • ГОСТы и Серии лифтовых шахт
        • Типы лифтовых шахт
    • ЖБИ для инженерного строительства
      ЖБИ для инженерного строительства
      • Камеры тепловые      
        • Серии тепловых камер
        • Тип элемента камер
      • Камеры футерованные      
        • Типы футерованных камер
      • Каналы непроходные
      • Каналы сборные      
        • Серии
        • Типы
      • Колодцы кабельные      
        • Типы колодцев ККС
      • Колодцы футерованные      
        • Типы футерованных колодцев
      • Лотки лк      
        • Типоразмеры лотков
      • Трубы железобетонные      
        • ГОСТы и Серии ЖБ труб
        • Типы
      • Щитовые опоры      
        • Серии
    • ЖБИ для мостов, тоннелей и путепроводов
      ЖБИ для мостов, тоннелей и путепроводов
      • Балки мостовые      
        • Серии мостовых балок
        • Элементы балок
      • Коллекторы железобетонные      
        • Серии ЖБ коллекторов
        • Типы ЖБ коллекторов
      • Контурные блоки
      • Пустотные плиты      
        • Серии пустотных плит
      • Своды железобетонные      
        • Серии железобетонных сводов
        • Типы конструкций
      • Тоннели сборные      
        • Серии сборных тоннелей
        • Типы сборных тоннелей
      • Фермы железобетонные      
        • Типоразмеры ферм
        • Типы железобетонных ферм
    • ЖБИ для нефтегазового строительства
      ЖБИ для нефтегазового строительства
      • Сваи железобетонные      
        • ГОСТы и Серии
        • Типы
      • Столбики сигнальные
      • Утяжелители      
        • Типы утяжелителей
    • ЖБИ для промышленного строительства
      ЖБИ для промышленного строительства
      • Бомбоубежища      
        • ГОСТы бомбоубежищ
        • Типы бомбоубежищ
      • Диафрагмы жесткости      
        • Серии диафрагм жесткости
        • Типы диафрагм
      • Прогоны железобетонные      
        • Серии ЖБ прогонов
        • Типы ЖБ прогонов
      • Ригели железобетонные      
        • ГОСТы и Серии для ЖБ ригелей
        • Типы железобетонных ригелей
      • Столбы шпалерные (садовые)
      • Фундаментные блоки      
        • ГОСТы и Серии фундаментных блоков
        • Типы фундаментных блоков
    • ЖБИ для энергетического строительства
      ЖБИ для энергетического строительства
      • Анкерные плиты
      • Опоры лэп      
        • Серии опор ЛЭП
        • Типы опор ЛЭП
      • Подстанции      
        • Серии подстанций
        • Элементы подстанций
      • Приставки железобетонные      
        • ГОСТы и Серии ЖБ приставок
      • Ригели опор
      • Фундаменты опор      
        • Серии фундаментов опор
    • Нетиповые ЖБИ
      Нетиповые ЖБИ
      • Волнорезы      
        • Типы волнорезов
      • Плиты тротуарные      
        • ГОСТы и Серии
    Доставка
    Оплата
    Компания
    • О компании
    • История
    • ГОСТы
    • Сертификаты
    • Заказчики
    • Сотрудники
    • Вакансии
    • Реквизиты
    • Доставка В ЛНР и ДНР
    • Цены на ЖБИ
    Объекты
    Контакты
      Калининград
      +7 (401) 272-03-10
      Заказать звонок
      E-mail
      sale3@block-gbi.ru
      Адрес
      Калининградская область, г. Гурьевск, Калининградское шоссе 15.
      Режим работы
      Будни - с 9 до 18 Сб, ВС - выходные
      Подать заявку
      Завод железобетонных изделий
      Телефоны
      +7 (401) 272-03-10
      Заказать звонок
      E-mail
      sale3@block-gbi.ru
      Адрес
      Калининградская область, г. Гурьевск, Калининградское шоссе 15.
      Режим работы
      Будни - с 9 до 18 Сб, ВС - выходные
      Завод железобетонных изделий
      • Калининград
        • Города
        • Благовещенск
        • Владивосток
        • Донецк
        • Екатеринбург
        • Иркутск
        • Калининград
        • Краснодар
        • Красноярск
        • Мариуполь
        • Москва
        • Новосибирск
        • Омск
        • Санкт-Петербург
        • Севастополь
        • Симферополь
        • Тюмень
        • Хабаровск
        • Чита
      • Кабинет
      • Главная
      • Каталог
        • Каталог
        • ЖБИ для дорожного строительства
          • ЖБИ для дорожного строительства
          • Блоки укреплений
            • Блоки укреплений
            • Серии блоков
            • Типы блоков
          • Водопропускные трубы
            • Водопропускные трубы
            • Серия изготовления
            • Тип звеньев
          • Камни бортовые
            • Камни бортовые
            • Типы бортовых камней
          • Колодцы железобетонные
            • Колодцы железобетонные
            • Диаметры
            • Элементы
          • Лотки железобетонные
            • Лотки железобетонные
            • ГОСТы и Серии
            • Типы лотков ЖБИ
          • Плиты дорожные
            • Плиты дорожные
            • ГОСТы и Серии дорожных плит
            • Типы дорожных плит
        • ЖБИ для железнодорожного строительства
          • ЖБИ для железнодорожного строительства
          • Лотки дренажные
            • Лотки дренажные
            • Типы дренажных лотков
          • Фундаменты трехлучевые
            • Фундаменты трехлучевые
            • Серии фундаментов
            • Типы фундаментов
          • Шпалы железобетонные
        • ЖБИ для жилищного строительства
          • ЖБИ для жилищного строительства
          • Вентиляционные блоки
            • Вентиляционные блоки
            • ГОСТы вентиляционных блоков
            • Типы вентблоков
          • Заборы железобетонные
            • Заборы железобетонные
            • Вид забора ЖБИ
            • ГОСТы и Серии ЖБ заборов
          • Лестницы железобетонные
            • Лестницы железобетонные
            • ГОСТы и Серии ЖБ лестниц
            • Элементы лестниц
          • Перемычки
          • Плиты перекрытий
            • Плиты перекрытий
            • ГОСТы и Серии плит перекрытий
            • Типы плит перекрытий
          • Шахты лифтов
            • Шахты лифтов
            • ГОСТы и Серии лифтовых шахт
            • Типы лифтовых шахт
        • ЖБИ для инженерного строительства
          • ЖБИ для инженерного строительства
          • Камеры тепловые
            • Камеры тепловые
            • Серии тепловых камер
            • Тип элемента камер
          • Камеры футерованные
            • Камеры футерованные
            • Типы футерованных камер
          • Каналы непроходные
          • Каналы сборные
            • Каналы сборные
            • Серии
            • Типы
          • Колодцы кабельные
            • Колодцы кабельные
            • Типы колодцев ККС
          • Колодцы футерованные
            • Колодцы футерованные
            • Типы футерованных колодцев
          • Лотки лк
            • Лотки лк
            • Типоразмеры лотков
          • Трубы железобетонные
            • Трубы железобетонные
            • ГОСТы и Серии ЖБ труб
            • Типы
          • Щитовые опоры
            • Щитовые опоры
            • Серии
        • ЖБИ для мостов, тоннелей и путепроводов
          • ЖБИ для мостов, тоннелей и путепроводов
          • Балки мостовые
            • Балки мостовые
            • Серии мостовых балок
            • Элементы балок
          • Коллекторы железобетонные
            • Коллекторы железобетонные
            • Серии ЖБ коллекторов
            • Типы ЖБ коллекторов
          • Контурные блоки
          • Пустотные плиты
            • Пустотные плиты
            • Серии пустотных плит
          • Своды железобетонные
            • Своды железобетонные
            • Серии железобетонных сводов
            • Типы конструкций
          • Тоннели сборные
            • Тоннели сборные
            • Серии сборных тоннелей
            • Типы сборных тоннелей
          • Фермы железобетонные
            • Фермы железобетонные
            • Типоразмеры ферм
            • Типы железобетонных ферм
        • ЖБИ для нефтегазового строительства
          • ЖБИ для нефтегазового строительства
          • Сваи железобетонные
            • Сваи железобетонные
            • ГОСТы и Серии
            • Типы
          • Столбики сигнальные
          • Утяжелители
            • Утяжелители
            • Типы утяжелителей
        • ЖБИ для промышленного строительства
          • ЖБИ для промышленного строительства
          • Бомбоубежища
            • Бомбоубежища
            • ГОСТы бомбоубежищ
            • Типы бомбоубежищ
          • Диафрагмы жесткости
            • Диафрагмы жесткости
            • Серии диафрагм жесткости
            • Типы диафрагм
          • Прогоны железобетонные
            • Прогоны железобетонные
            • Серии ЖБ прогонов
            • Типы ЖБ прогонов
          • Ригели железобетонные
            • Ригели железобетонные
            • ГОСТы и Серии для ЖБ ригелей
            • Типы железобетонных ригелей
          • Столбы шпалерные (садовые)
          • Фундаментные блоки
            • Фундаментные блоки
            • ГОСТы и Серии фундаментных блоков
            • Типы фундаментных блоков
        • ЖБИ для энергетического строительства
          • ЖБИ для энергетического строительства
          • Анкерные плиты
          • Опоры лэп
            • Опоры лэп
            • Серии опор ЛЭП
            • Типы опор ЛЭП
          • Подстанции
            • Подстанции
            • Серии подстанций
            • Элементы подстанций
          • Приставки железобетонные
            • Приставки железобетонные
            • ГОСТы и Серии ЖБ приставок
          • Ригели опор
          • Фундаменты опор
            • Фундаменты опор
            • Серии фундаментов опор
        • Нетиповые ЖБИ
          • Нетиповые ЖБИ
          • Волнорезы
            • Волнорезы
            • Типы волнорезов
          • Плиты тротуарные
            • Плиты тротуарные
            • ГОСТы и Серии
      • Доставка
      • Оплата
      • Компания
        • Компания
        • О компании
        • История
        • ГОСТы
        • Сертификаты
        • Заказчики
        • Сотрудники
        • Вакансии
        • Реквизиты
        • Доставка В ЛНР и ДНР
        • Цены на ЖБИ
      • Объекты
      • Контакты
      Подать заявку
      • 0 Корзина
      • Калькулятор расчета количества машин для транспортировки изделия
      • +7 (401) 272-03-10
        • Телефоны
        • +7 (401) 272-03-10
        • Заказать звонок
      • Калининградская область, г. Гурьевск, Калининградское шоссе 15.
      • sale3@block-gbi.ru
      • Будни - с 9 до 18 Сб, ВС - выходные
      Главная
      —
      Продукция
      —
      ЖБИ для мостов, тоннелей и путепроводов
      —
      Балки мостовые
      —
      Элементы балок
      —
      Балки мостовые напряженные
      —Балка мостовая БН 1.236.1-К3

      Балка мостовая БН 1.236.1-К3

      Балка мостовая БН 1.236.1-К3
      313000 ₽
      Цена с НДС
      В наличие: много
      Добавить в заказ
      Купить в 1 клик
      Точное соотвествие ГОСТ.
      Балка мостовая БН 1.236.1-К3
      Балка мостовая БН 1.236.1-К3
      Балка мостовая БН 1.236.1-К3
      Балка мостовая БН 1.236.1-К3
      Балка мостовая БН 1.236.1-К3
      Балка мостовая БН 1.236.1-К3
      Балка мостовая БН 1.236.1-К3
      Балка мостовая БН 1.236.1-К3
      Балка мостовая БН 1.236.1-К3
      Балка мостовая БН 1.236.1-К3
      Балка мостовая БН 1.236.1-К3
      Балка мостовая БН 1.236.1-К3
      Балка мостовая БН 1.236.1-К3
      Балка мостовая БН 1.236.1-К3
      Балка мостовая БН 1.236.1-К3
      Балка мостовая БН 1.236.1-К3
      Балка мостовая БН 1.236.1-К3
      Балка мостовая БН 1.236.1-К3
      Балка мостовая БН 1.236.1-К3
      Балка мостовая БН 1.236.1-К3
      Балка мостовая БН 1.236.1-К3
      Балка мостовая БН 1.236.1-К3
      Балка мостовая БН 1.236.1-К3
      Балка мостовая БН 1.236.1-К3
      Балка мостовая БН 1.236.1-К3
      Балка мостовая БН 1.236.1-К3
      Балка мостовая БН 1.236.1-К3
      Балка мостовая БН 1.236.1-К3
      Балка мостовая БН 1.236.1-К3
      Балка мостовая БН 1.236.1-К3
      Балка мостовая БН 1.236.1-К3
      Балка мостовая БН 1.236.1-К3
      Балка мостовая БН 1.236.1-К3
      Балка мостовая БН 1.236.1-К3
      Балка мостовая БН 1.236.1-К3
      Балка мостовая БН 1.236.1-К3
      Балка мостовая БН 1.236.1-К3
      Балка мостовая БН 1.236.1-К3
      Балка мостовая БН 1.236.1-К3
      Балка мостовая БН 1.236.1-К3
      Балка мостовая БН 1.236.1-К3
      Балка мостовая БН 1.236.1-К3
      Балка мостовая БН 1.236.1-К3
      Балка мостовая БН 1.236.1-К3
      Балка мостовая БН 1.236.1-К3
      Балка мостовая БН 1.236.1-К3
      Балка мостовая БН 1.236.1-К3
      Балка мостовая БН 1.236.1-К3
      Балка мостовая БН 1.236.1-К3
      Балка мостовая БН 1.236.1-К3
      Балка мостовая БН 1.236.1-К3
      Балка мостовая БН 1.236.1-К3
      Балка мостовая БН 1.236.1-К3
      Балка мостовая БН 1.236.1-К3
      Балка мостовая БН 1.236.1-К3
      Балка мостовая БН 1.236.1-К3
      Балка мостовая БН 1.236.1-К3
      Балка мостовая БН 1.236.1-К3
      Балка мостовая БН 1.236.1-К3
      Балка мостовая БН 1.236.1-К3
      Балка мостовая БН 1.236.1-К3
      Балка мостовая БН 1.236.1-К3
      Балка мостовая БН 1.236.1-К3
      Балка мостовая БН 1.236.1-К3
      Балка мостовая БН 1.236.1-К3
      Балка мостовая БН 1.236.1-К3
      Балка мостовая БН 1.236.1-К3
      Балка мостовая БН 1.236.1-К3
      Балка мостовая БН 1.236.1-К3
      Балка мостовая БН 1.236.1-К3
      Балка мостовая БН 1.236.1-К3
      Балка мостовая БН 1.236.1-К3
      Балка мостовая БН 1.236.1-К3
      Балка мостовая БН 1.236.1-К3
      Балка мостовая БН 1.236.1-К3
      Балка мостовая БН 1.236.1-К3
      Балка мостовая БН 1.236.1-К3
      Балка мостовая БН 1.236.1-К3
      Балка мостовая БН 1.236.1-К3
      Балка мостовая БН 1.236.1-К3
      Балка мостовая БН 1.236.1-К3
      Балка мостовая БН 1.236.1-К3
      Балка мостовая БН 1.236.1-К3
      Балка мостовая БН 1.236.1-К3
      Балка мостовая БН 1.236.1-К3
      Балка мостовая БН 1.236.1-К3
      Балка мостовая БН 1.236.1-К3
      Балка мостовая БН 1.236.1-К3
      Балка мостовая БН 1.236.1-К3
      Балка мостовая БН 1.236.1-К3
      Балка мостовая БН 1.236.1-К3
      Балка мостовая БН 1.236.1-К3
      Балка мостовая БН 1.236.1-К3
      Балка мостовая БН 1.236.1-К3
      Характеристики
      ГОСТ/Серия
      —
      Серия 3.501.1-175.93
      Длина, мм
      —
      23600
      Ширина, мм
      —
      2060
      Высота, мм
      —
      2430
      Масса, тонн
      —
      78,1
      Объем бетона, куб.м
      —
      31,3
      Все характеристики
      Цена указана на самовывоз. Итоговую стоимость с доставкой, уточняйте у менеджера
      Балка мостовая БН 1.236.1-К3
      313000 ₽
      Цена с НДС
      В наличие: много
      Добавить в заказ
      Купить в 1 клик
      Точное соотвествие ГОСТ.
      • Описание
      • Характеристики
      • Как купить
      • Оплата
      • Доставка

      Балки мостовые железобетонные – это опорные конструкции, которые применяются в строительстве и реконструкции мостов, мостовых путепроводов и других пролетных строений. Мостовые балки воспринимают и равномерно распределяют нагрузки, которые воздействуют на мосты и путепроводы. С помощью балок также регулируется изгиб и высота мостов. Кроме того, использование мостовых балок позволяет значительно облегчить строительство пролетных строений и сократить время, затрачиваемое на монтаж опор мостов и путепроводов, что, в конечном счете, благоприятно сказывается на бюджете построек.

      Основная область применения мостовых балок – это инженерные сооружения: мосты, тоннели и путепроводы различного назначения. Высокопрочные элементы мостовых конструкций позволяют возводить мосты любой протяженности и высоты, гарантированно защищая их от обрушения. Универсальность конструкции балок позволяет использовать эти ЖБИ и в других отраслях, например, при возведении несущих стен, перекрытий и кровли зданий.

      Пролетные строения представляют собой балочно-разрезные сборные конструкции, которые формируются из следующих элементов заводского изготовления: железобетонные несущие мостовые балки; металлические сварные тротуарные консоли, располагаемые по обеим сторонам пролетного строения; консоли убежищ; тротуарные плиты; плиты убежищ; перила; блоки перекрытия продольного шва; листы и коробы перекрытия поперечного шва; опорные части строений.

      Балки мостовые железобетонные делятся на несколько типов в зависимости от конструктивных особенностей и области применения:

      • БП – балки плитные с ненапрягаемой арматурой для прямых участков пути;
      • БПК – балки плитные с ненапрягаемой арматурой для кривых участков пути;
      • БС – балки плитные с ненапрягаемой арматурой для станционных пролетных строений.
      • Б – балки ребристые с ненапрягаемой арматурой для прямых участков пути;
      • БК – балки ребристые с ненапрягаемой арматурой для кривых участков пути;
      • БН – балки станционные с предварительно напрягаемой арматурой для прямых участков пути;
      • БНК – балки станционные с предварительно напрягаемой арматурой для кривых участков пути.

      Предварительно напряженные балки применяются для сборно-монолитных пролетных строений, используемых при строительстве автодорожных мостов. Балки без предварительного напряжения и со стандартным армированием применяются для путепроводов, предназначенных для движения по ним пешеходов. Балки с двутавровым сечением и предварительно напряженной арматурой применяются в строительстве пролетов, покрывающих большие пространства.

      Железобетонные мостовые балки представляют собой вытянутый брус с тавровым или двутавровым сечением. Плитные балки пролетных строений устанавливается на 4 опорные части таким образом: по 2 опорные части под каждый конец балки. Мостовые плитные балки между собой объединяются по плите путем приварки соединительных планок к закладным деталям, установленным в поперечном бортике. Ребристые балки для пролетных строений устанавливается на 2 опорные части и объединяются в пролетное строение по диафрагмам путем приварки к закладным деталям диафрагм планок и омоноличиванием стыка.

      Балки мостовые железобетонные изготавливаются в соответствии с сериями 3.501.1-175.93 «Пролетные строения сборные железобетонные для железнодорожных мостов» и 3.503.1-81 «Пролетные строения сборные железобетонные длиной 12, 15, 18, 21 и 33 м из балок двутаврового сечения с предварительно напрягаемой арматурой для мостов и путепроводов, расположенных на автомобильных дорогах общего пользования, на улицах и дорогах в городах» и 3.501.1-146 «Пролетные строения сборные железобетонные длиной от 2,95 до 16,5 м для железнодорожных мостов».

      Мостовые балки изготавливаются из тяжелого конструкционного бетона, класс про прочности на сжатие принимается от В25 и выше. Станционные балки изготавливаются из тяжелого бетона классом про прочности на сжатие не ниже В35. Класс бетона по морозостойкости назначается в зависимости от климатических условий в районе строительства, характеризуемых наружной температурой воздуха наиболее холодного месяца. При умеренных климатических условиях и значении температуры от 0°С до -10°С класс бетона F200, при суровых (от -10°С до -20°С) – F200, при особо суровых (ниже -20°С) – F300. Класс бетона изделий по водонепроницаемости принимается W4.

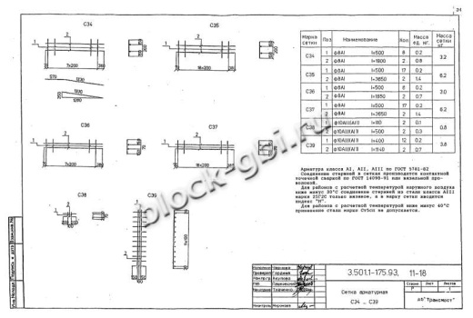
      Балки мостовые армируются вязаными каркасами из сеток, изготавливаемых
      из ненапрягаемой или предварительно напряженной стали. Предварительно напрягаемая арматура изготавливается из высокопрочной холоднотянутой гладкой проволоки класса В и представляет собой пучок из 24х проволок. Пучки располагаются в нижнем уширении балки по горизонтали (в два ряда по высоте), и в стенках (в один ряд). Для балок длиной 23,6 м существует вариант армирования из 48 проволок. Ненапрягаемая арматура изготавливается из стали периодического профиля класса А-II или Ас-II и стали класса А-III. Рабочая арматура ненапрягаемых балок дополняется стержнями из гладкой стали класса А-I.

      Железобетонные мостовые балки маркируются буквенно-цифровым обозначением, где буквы обозначают наименование элемента. Цифра 1 означает применение балок – для пролетных строений с шириной балластного корыта 4180 мм. Далее через точку указывается полная длина балки в дециметрах. Цифра 3 или 2 обозначает применяемый класс арматуры, соответственно, А-III или А-II. Буква К, стоящая в конце марки, указывает, что балка используется для кривых участков пути.

      В компании ГК «БЛОК» можно не только заказать балки мостовые железобетонные, но и проконсультироваться с нашими специалистами, подобрать требуемые конструкции железобетонных изделий. В нашем отделе продаж можно заранее узнать и уточнить цену железобетонных мостовых балок и рассчитать общую стоимость заказа. Купить железобетонные мостовые балки и проконсультироваться по общим вопросам покупки и доставки Вы можете, позвонив по телефонам компании ГК «БЛОК»: Санкт-Петербург: (812) 309-22-09, Москва: (495) 646-38-32, Краснодар: (861) 279-36-00. Режим работы компании: Пн-Пт с 9-00 до 18-00. Компания ГК «БЛОК» осуществляет доставку сборных железобетонных мостовых балок по всей России прямо до объекта заказчика или на строительную площадку, если позволяет инфраструктура.

      Характеристики
      ГОСТ/Серия
      Серия 3.501.1-175.93
      Длина, мм
      23600
      Ширина, мм
      2060
      Высота, мм
      2430
      Масса, тонн
      78,1
      Объем бетона, куб.м
      31,3
      Класс бетона
      В40
      Геометрический объем, м.куб
      3.501.1-175.93 вып.2
      Сталь, кг
      5907,1
      Закладная 1
      Пучок П1
      Закладная 2
      Пучок П2
      Закладная 3
      Пучок П3
      Закладная 4
      Пучок П4

      Как купить

      Процесс покупки железобетонных изделий у нас прост и удобен. Следуйте этим шагам:

      1. Выбор продукции: Ознакомьтесь с нашим ассортиментом и выберите необходимые железобетонные изделия.
      2. Консультация: Свяжитесь с нашим менеджером для получения консультации по выбору продукции и уточнения всех деталей. Вы можете позвонить нам или написать на электронную почту.
      3. Оформление заказа: После согласования всех деталей оформите заказ. Менеджер поможет вам заполнить все необходимые документы.
      4. Согласование доставки: После оформления заказа наш менеджер свяжется с вами для согласования условий и сроков доставки.
      5. Оплата: Выберите удобный способ оплаты. Мы предлагаем несколько вариантов, включая безналичный расчет.
      6. Получение товара: После выполнения всех условий заказа, вы получите железобетонные изделия в назначенное время и по согласованному адресу. При получении подпишите акт приема-передачи.

      Если у вас возникли вопросы на любом этапе покупки, не стесняйтесь обращаться к нашим менеджерам!

      Оплата

      Мы принимаем только безналичные платежи и работаем исключительно с юридическими лицами. Пожалуйста, ознакомьтесь с условиями оплаты ниже:

      1. Способ оплаты: Все расчеты производятся безналичным путем. Мы не принимаем наличные.
      2. Счет на оплату: После оформления заказа вам будет выставлен счет, который необходимо оплатить в срок, указанный в документе.
      3. Реквизиты: Все необходимые банковские реквизиты будут предоставлены в счете. Убедитесь, что все данные указаны правильно для успешного перевода.
      4. Подтверждение оплаты: После осуществления платежа отправьте нам подтверждение, чтобы мы могли оперативно обработать ваш заказ.
      5. Получение документов: После полной оплаты вы получите все необходимые документы, включая акт выполненных работ, товарные накладные и сертификаты на продукцию.

      Мы работаем с НДС и предоставляем все необходимые сертификаты и документы. Все гарантии будут прописаны в договоре, что обеспечивает прозрачность и надежность сотрудничества.

      Если у вас есть вопросы по поводу процесса оплаты, не стесняйтесь обращаться к нашим менеджерам за помощью!

      Наша оперативность — ваше удобство. Мы гарантируем своевременную доставку железобетонных изделий, что является ключевым фактором для успешной реализации ваших строительных проектов. Доставка осуществляется прямо к вашему объекту с учетом всех стандартов качества.

      Основные условия доставки:
      • Выбор тарифа: Вы можете выбрать способ расчета стоимости доставки — почасовой или по зонам.
      • Согласование: Менеджер свяжется с вами для уточнения деталей после оформления заказа.
      • Время на погрузку: Комплектация товара занимает от 1 до 3 дней в зависимости от объема.
      • Акт приема-передачи: Продукция передается по акту приема-передачи.

      Тарифы на доставку:
      Цены варьируются в зависимости от расстояния и региона. Все тарифы включают НДС. При неблагоприятных погодных условиях возможны небольшие изменения в стоимости.

      География доставки:
      Мы работаем по всей территории РФ и имеем 12 офисов и производств, чтобы обеспечить удобные условия для доставки.

      Для точного расчета стоимости доставки обращайтесь к нашим менеджерам!

      Назад к списку
      Каталог
      Доставка
      Компания
      Контакты
      Подписаться на рассылку
      +7 (401) 272-03-10
      +7 (401) 272-03-10
      Заказать звонок
      E-mail
      sale3@block-gbi.ru
      Адрес
      Калининградская область, г. Гурьевск, Калининградское шоссе 15.
      Режим работы
      Будни - с 9 до 18 Сб, ВС - выходные
      Заказать звонок
      sale3@block-gbi.ru
      Калининградская область, г. Гурьевск, Калининградское шоссе 15.
      © 2025 Производство и поставки железобетонных изделий. ООО «СК «Блок» ИНН 7842359185 / КПП 772601001

      Обращаем ваше внимание на то, что данный интернет-сайт, а также вся информация о товарах и ценах, предоставленная на нём, носит исключительно информационный характер и ни при каких условиях не является публичной офертой, определяемой положениями Статьи 437 Гражданского кодекса Российской Федерации. Для получения подробной информации о наличии и стоимости указанных товаров и (или) услуг, пожалуйста, обращайтесь к менеджеру сайта с помощью специальной формы связи или по телефону

      Политика конфиденциальности
      Карта сайта
      0

      Корзина

      Очистить корзину

      Ваша корзина пуста

      Исправить это просто: выберите в каталоге интересующий товар и нажмите кнопку «В корзину»
      В каталог
      Главная 0 Корзина Каталог Калькулятор Поиск Регион Кабинет Контакты