Вентиляционный блок марки 2ВДП 33.26.26 с двумя консолями для опирания плит перекрытия и проемом – это блок с отверстиями для вентиляционных каналов, который используется для вентиляции помещений. Блоки вентиляции 2ВДП 33.26.26 с двумя консолями для опирания плит перекрытия и проемом используют в качестве конструктивного элемента вентиляции общественных зданий таких помещений, как кухни, сантехнические узлы и жилые помещения. Железобетонные вентиляционные блоки применяют в помещениях с неблагоприятным режимом влажности в целях создания искусственной циркуляции воздуха.
Вентиляционные блоки 2ВДП 33.26.26 с двумя консолями для опирания плит перекрытия и проемом являются необходимыми элементами при постройке зданий жилого и промышленного назначения. Правильное расположение блоков вентиляционных каналов на этапе проектирования здания способствует правильному перемещению воздушных масс, паров, отведению запахов и вредного дыма, а использование вентиляционных блоков из высокопрочного, но при этом дешевого в производстве железобетона позволяет оптимизировать трудозатраты и экономно расходовать стройматериалы, без ущерба прочности и морозостойкости постройки.
Основные преимущества применения вентиляционных блоков марки 2ВДП 33.26.26 с двумя консолями для опирания плит перекрытия и проемом заключаются в обеспечении полноценной вентиляции помещений без применения дополнительных вентиляционных систем, воздуховодных каналов или других технических средств, а также в возможности создания независимой системы вентиляции, без необходимости контроля и регуляции. Конструкция позволяет образовать направленный воздушный поток – воздух всасывается через крайние каналы, который поступает в центральную камеру и выводится за пределы здания.
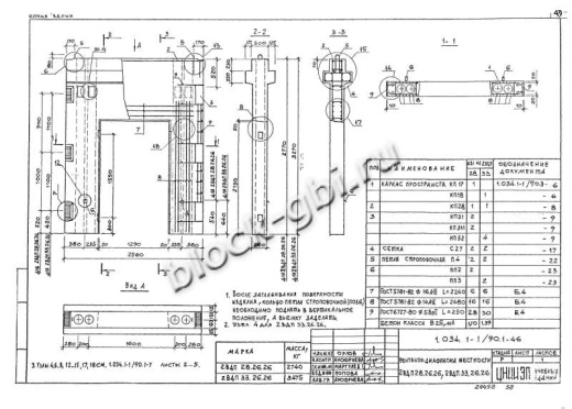
Конструктивно железобетонные вентиляционные блоки 2ВДП 33.26.26 с двумя консолями для опирания плит перекрытия и проемом представляют собой прямоугольный объемный несущий компонент и два дополнительных элемента. Несущий компонент включает в себя один сплошной канал вертикального типа и несколько наклонных, по которым осуществляется движение воздуха. Количество каналов прямо пропорционально длине панели: чем больше длина панели, тем больше количество каналов.
Вентиляционные блоки 2ВДП 33.26.26 с двумя консолями для опирания плит перекрытия и проемом изготавливают согласно ГОСТ 17079-88.
Вентиляционный блок 2ВДП 33.26.26 с двумя консолями для опирания плит перекрытия и проемом изготавливается из тяжелого и легкого бетона марки М-200, класс бетона по прочности на сжатие – не менее В15, морозостойкость и водостойкость – F75 и W4 соответственно. Для армирования блоков используют стержневую арматурную сталь классов Ат-III, Ат-IIIС, Ат-IV и Ат-IVС по ГОСТ 10884 и класса А-III по ГОСТ 5781, а также арматурную проволоку повышенной прочности класса Врп-1 по ТУ 14-4-1322 и класса Вр-1 по ГОСТ 6727.
В проектах зданий количество вентиляционных блоков определяется расчетом естественной вентиляции помещений. Монтаж вентблоков 2ВДП 33.26.26 с двумя консолями для опирания плит перекрытия и проемом происходит параллельно с возведением несущих стен жилого комплекса. Продуманное расположение вентиляционных шахт внутри здания обеспечивает непрерывную циркуляцию воздушного потока внутри дома, создавая здоровый микроклимат в жилых или рабочих помещениях. Использование вентблоков 2ВДП 33.26.26 с двумя консолями для опирания плит перекрытия и проемом в современных жилищных комплексах позволяет оптимизировать трудозатраты и экономно расходовать стройматериалы, без ущерба прочности и морозостойкости постройки.
Параметры вентиляционных блоков 2ВДП 33.26.26 с двумя консолями для опирания плит перекрытия и проемом должны точно соответствовать размерам стеновых блоков здания, используемых в строительстве. Особенно важно обеспечить бесперебойную работу систем вентиляции и дымоудаления в различных цехах химического, сталелитейного и других производств, где уровень загрязнения воздуха достаточно высок. Поэтому требования, предъявляемые к качеству выпускаемых изделий, включают в себя проверки на всех уровнях изготовления изделий – от технологии изготовления до транспортировки готовых блоков.
Согласно СНиП 3.03.01-87, при установке вентиляционных блоков 2ВДП 33.26.26 с двумя консолями для опирания плит перекрытия и проемом необходимо следить за совмещением каналов и тщательностью заполнения горизонтальных швов раствором. Выверку вентиляционных блоков следует выполнять, совмещая оси двух взаимно перпендикулярных граней устанавливаемых блоков в уровне нижнего сечения с рисками осей нижестоящего блока. Относительно вертикальной плоскости блоки следует устанавливать, выверяя плоскости двух взаимно перпендикулярных граней. Стыки вентиляционных каналов блоков следует тщательно очищать от раствора и не допускать попадания его и других посторонних предметов в канал.
Применение вентиляционных блоков из железобетона марки 2ВДП 33.26.26 с двумя консолями для опирания плит перекрытия и проемом помогает создать в жилых помещениях оптимальный микроклимат, обеспечивая естественную, а не принудительную циркуляцию воздуха. Продуманная конструкция блоков позволяет эффективно удалять из внутренних помещений частицы дыма, пыли и отр
аботанный воздух, не мешая притоку свежего воздуха. По сравнению с другими системами воздухообмена, железобетонные блоки имеют ряд существенных преимуществ: они обладают повышенной прочностью, долговечны в эксплуатации, легко монтируются, высокотехнологичны в производстве.
В компании ГК “БЛОК” можно заказать вентиляционные блоки 2ВДП 33.26.26 с двумя консолями для опирания плит перекрытия и проемом, а также проконсультироваться с нашими специалистами, подобрать требуемые конструкции железобетонных изделий. В нашем отделе продаж можно узнать заранее и уточнить цену вентиляционных блоков 2ВДП 33.26.26 с двумя консолями для опирания плит перекрытия и проемом и рассчитать общую стоимость заказа. Купить вентиляционный блок и проконсультироваться по общим вопросам покупки и доставки Вы можете позвонив по телефонам компании ГК БЛОК: Санкт-Петербург: (812) 309-22-09, Москва: (495) 646-38-32, Краснодар: (861) 279-36-00. Режим работы компании: Пн-Пт с 9-00 до 18-00. Компания ГК БЛОК осуществляет доставку вентблоков по всей России прямо до объекта заказчика или на строительную площадку, если позволяет инфраструктура.
|
ГОСТ/Серия
|
1.034.1-1/90 |
|
Длина, мм
|
2560 |
|
Ширина, мм
|
260 |
|
Высота, мм
|
3270 |
|
Масса, тонн
|
3.47 |
|
Объем бетона, куб.м
|
1.39 |
|
Класс бетона
|
В25 |
|
Геометрический объем, м.куб
|
1.034.1-1/90 |
|
Сталь, кг
|
197.25 |
Как купить
Процесс покупки железобетонных изделий у нас прост и удобен. Следуйте этим шагам:
- Выбор продукции: Ознакомьтесь с нашим ассортиментом и выберите необходимые железобетонные изделия.
- Консультация: Свяжитесь с нашим менеджером для получения консультации по выбору продукции и уточнения всех деталей. Вы можете позвонить нам или написать на электронную почту.
- Оформление заказа: После согласования всех деталей оформите заказ. Менеджер поможет вам заполнить все необходимые документы.
- Согласование доставки: После оформления заказа наш менеджер свяжется с вами для согласования условий и сроков доставки.
- Оплата: Выберите удобный способ оплаты. Мы предлагаем несколько вариантов, включая безналичный расчет.
- Получение товара: После выполнения всех условий заказа, вы получите железобетонные изделия в назначенное время и по согласованному адресу. При получении подпишите акт приема-передачи.
Если у вас возникли вопросы на любом этапе покупки, не стесняйтесь обращаться к нашим менеджерам!
Оплата
Мы принимаем только безналичные платежи и работаем исключительно с юридическими лицами. Пожалуйста, ознакомьтесь с условиями оплаты ниже:
- Способ оплаты: Все расчеты производятся безналичным путем. Мы не принимаем наличные.
- Счет на оплату: После оформления заказа вам будет выставлен счет, который необходимо оплатить в срок, указанный в документе.
- Реквизиты: Все необходимые банковские реквизиты будут предоставлены в счете. Убедитесь, что все данные указаны правильно для успешного перевода.
- Подтверждение оплаты: После осуществления платежа отправьте нам подтверждение, чтобы мы могли оперативно обработать ваш заказ.
- Получение документов: После полной оплаты вы получите все необходимые документы, включая акт выполненных работ, товарные накладные и сертификаты на продукцию.
Мы работаем с НДС и предоставляем все необходимые сертификаты и документы. Все гарантии будут прописаны в договоре, что обеспечивает прозрачность и надежность сотрудничества.
Если у вас есть вопросы по поводу процесса оплаты, не стесняйтесь обращаться к нашим менеджерам за помощью!
Наша оперативность — ваше удобство. Мы гарантируем своевременную доставку железобетонных изделий, что является ключевым фактором для успешной реализации ваших строительных проектов. Доставка осуществляется прямо к вашему объекту с учетом всех стандартов качества.
Основные условия доставки:
• Выбор тарифа: Вы можете выбрать способ расчета стоимости доставки — почасовой или по зонам.
• Согласование: Менеджер свяжется с вами для уточнения деталей после оформления заказа.
• Время на погрузку: Комплектация товара занимает от 1 до 3 дней в зависимости от объема.
• Акт приема-передачи: Продукция передается по акту приема-передачи.
Тарифы на доставку:
Цены варьируются в зависимости от расстояния и региона. Все тарифы включают НДС. При неблагоприятных погодных условиях возможны небольшие изменения в стоимости.
География доставки:
Мы работаем по всей территории РФ и имеем 12 офисов и производств, чтобы обеспечить удобные условия для доставки.
Для точного расчета стоимости доставки обращайтесь к нашим менеджерам!

